-
WYPOSAŻENIE WARSZTATU
Ilość produktów 4212
- WYPOSAŻENIE WARSZTATU:
- Meble warsztatowe
- Imadła stołowe, ściski i kowadła
- Urządzenia do czyszczenia i wykańczania
- Prasy i pompy hydrauliczne
- Wyposażenie serwisów pojazdowych
- Urządzenia dźwigowe i transportowe
- Szczypce, młotki, pilniki i dłuta
- Pozostałe
- Zestawy narzędziowe (walizki)
- Zestawy elementów złącznych
- Wagi przemysłowe
- Smarowanie i dozowanie płynów
-
NARZĘDZIA TNĄCE
Ilość produktów 2019
- NARZĘDZIA TNĄCE:
- Płytki wymienne, noże tokarskie i stalki HSS
- Gwintowniki i narzynki
- Narzędzia do naprawy gwintów
- Brzeszczoty i piły tarczowe
- Narzędzia do toczenia i frezowania
- Wiertła i otwornice do betonu i drewna
- Wiertła i frezy do metalu
- Narzędzia do gwintowania i przecinania
- Pozostałe
- Narzędzia do toczenia i frezowaniu
-
NARZĘDZIA RĘCZNE
Ilość produktów 10087
- NARZĘDZIA RĘCZNE:
- Klucze płaskie, grzechotki, oczkowe i nastawne
- Szczypce, młotki, pilniki i dłuta
- Noże, gradowniki i narzędzia do cięcia
- Zestawy elementów złącznych
- Artykuły budowlane i magazynowe
- Zestawy narzędziowe (walizki)
- Klucze nasadowe i wykrętaki
- Wkrętaki i nitownice ręczne
- Klucze płaskie, oczkowe i nastawne
- Pozostałe
Udostępnianie karty produktu
Zapytaj o produkt
Administratorem danych osobowych jest TOMNAR-LU TOMASZ ZIELIŃSKI. Przetwarzamy je w celu przesłania odpowiedzi na zapytanie. Więcej informacji dotyczących przetwarzania danych osobowych znajduje się w polityce prywatności.
Wystaw opinię o produkcie
Dostępność: duża ilość 123 szt.
Dostawa: 7 dni
Kod produktu: M049A/160
EAN: 8012667397562
Kod producenta: -
Producent: FERVI
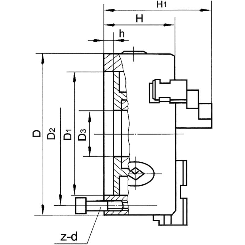
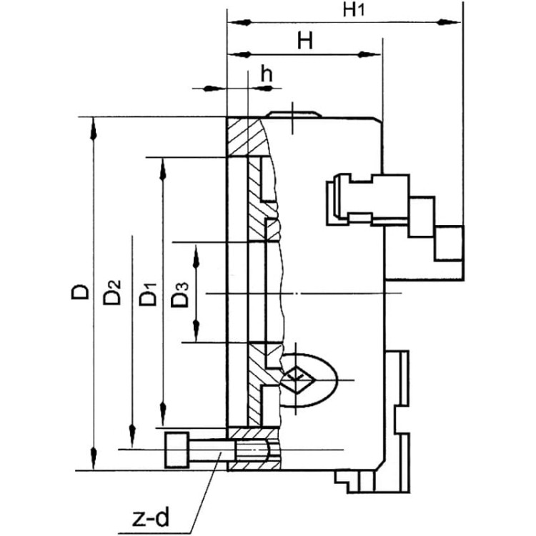
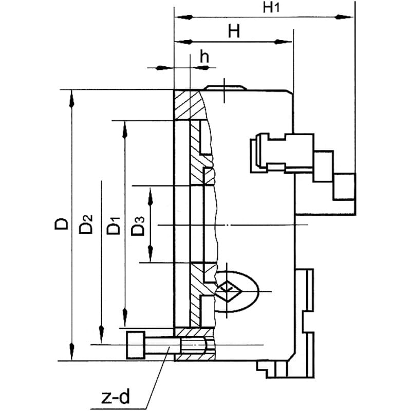
Precyzyjny uchwyt samocentrujący 3+3 szczęki (art. M049A/160) posiada pojedynczą prowadnicę i zintegrowane szczęki do mocowania koncentrycznego wyposażony w jedną serię trzech szczęk wewnętrznych, jedną serię trzech szczęk zewnętrznych i klucz dokręcający. Posiada metalową pokrywę tylną i jest kompatybilny z uchwytami Ø250 mm, Ø320 mm i Ø400 mm. Wymiary opakowania to 210x210x185h mm.
| Art. | D | D1 | D2 | D3 | H1 | H | z-d |
| M049A/080 | 80 mm | 55 mm | 66 mm | 16 mm | 66 mm | 50 mm | 3-M6 mm |
| M049A/100 | 100 mm | 72 mm | 84 mm | 22 mm | 74,5 mm | 55 mm | 3-M8 mm |
| M049A/125 | 125 mm | 95 mm | 108 mm | 30 mm | 84 mm | 58 mm | 3-M8 mm |
| M049A/160 | 160 mm | 130 mm | 142 mm | 45 mm | 95 mm | 75 mm | 3-M8 mm |
| M049A/200 | 200 mm | 165 mm | 180 mm | 65 mm | 114 mm | 75 mm | 3-M10 mm |
| M049A/250 | 250 mm | 206 mm | 226 mm | 80 mm | 125 mm | 87 mm | 3-M12 mm |
| M049A/320 | 320 mm | 270 mm | 290 mm | 100 mm | 143,5 mm | 95 mm | 3-M16 mm |
| M049A/400 | 400 mm | 340 mm | 368 mm | 145 mm | 155 mm | 104 mm | 3-M16 mm |
Wyświetlane są wszystkie recenzje (pozytywne i negatywne). Nie weryfikujemy, czy pochodzą one od klientów, którzy zakupili produkt.